| 型号: | FMS6414CSX |
| 厂商: | FAIRCHILD SEMICONDUCTOR CORP |
| 元件分类: | 音频/视频放大 |
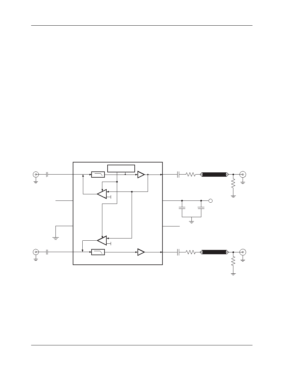
| 英文描述: | Dual Channel Video Drivers with Integrated Filters |
| 中文描述: | 2 CHANNEL, VIDEO AMPLIFIER, PDSO8 |
| 封装: | SOIC-8 |
| 文件页数: | 3/7页 |
| 文件大小: | 34K |
| 代理商: | FMS6414CSX |

相关PDF资料 |
PDF描述 |
|---|---|
| FMS6414 | Dual Channel Video Drivers with Integrated Filters |
| FMS6417ACH_NL | Selectable RGB (YUV) HD/SD Video Filter Driver with Y, C, Composite, and Modulator Outputs |
| FMS6418 | Triple Video Driver with Selectable HD/SD Video Filters for RGB or YUV Signals |
| FMS6419 | RES NTWK, Thick Film, 560KOhms, 50WV, 2+/-% Tol, 100ppm-TC, 4424-Case |
| FMS6690MTC20 | SOGC THICK FILM RESISTOR NETWORKS |
相关代理商/技术参数 |
参数描述 |
|---|---|
| FMS6414DEMO | 功能描述:视频 IC 76 Ohm Cable-Driver Dual Channel RoHS:否 制造商:Fairchild Semiconductor 工作电源电压:5 V 电源电流:80 mA 最大工作温度:+ 85 C 封装 / 箱体:TSSOP-28 封装:Reel |
| FMS6417 | 制造商:FAIRCHILD 制造商全称:Fairchild Semiconductor 功能描述:Selectable RGB (YUV) HD/SD Video Filter Driver with Y, C, Composite, and Modulator Outputs |
| FMS6417A | 制造商:FAIRCHILD 制造商全称:Fairchild Semiconductor 功能描述:Selectable RGB (YUV) HD/SD Video Filter Driver with Y, C, Composite, and Modulator Outputs |
| FMS6417ACH | 功能描述:视频 IC AngfgVidFltrDrvrW/YC Comp&Modular output RoHS:否 制造商:Fairchild Semiconductor 工作电源电压:5 V 电源电流:80 mA 最大工作温度:+ 85 C 封装 / 箱体:TSSOP-28 封装:Reel |
| FMS6417ACH_NL | 制造商:FAIRCHILD 制造商全称:Fairchild Semiconductor 功能描述:Selectable RGB (YUV) HD/SD Video Filter Driver with Y, C, Composite, and Modulator Outputs |