
LOG100
7
The frequency response curves are shown for constant DC I
1
and I
2 with a small signal AC current on one of them.
The transient response of the LOG100 is different for in-
creasing and decreasing signals. This is due to the fact that
a log amp is a nonlinear gain element and has different gains
at different levels of input signals. Frequency response
decreases as the gain increases.
GENERAL INFORMATION
INPUT CURRENT RANGE
The stated input range of 1nA to 1mA is the range for
specified accuracy. Smaller or larger input currents may be
applied with decreased accuracy. Currents larger than 1mA
result in increased nonlinearity. The 10mA absolute maxi-
mum is a conservative value to limit the power dissipation
in the output stage of A
1 and the logging transistor. Currents
below 1nA will result in increased errors due to the input
bias currents of A
1 and A2 (1pA typical). These errors may
be nulled. See Optional Adjustments section.
FREQUENCY COMPENSATION
Frequency compensation for the LOG100 is obtained by
connecting a capacitor between pins 7 and 14. The size of
the capacitor is a function of the input currents as shown in
the Typical Performance Curves. For any given application,
the smallest value of the capacitor which may be used is
determined by the maximum value at I
2 and the minimum
value of I
1. Larger values of CC will make the LOG100 more
stable, but will reduce the frequency response.
SETTING THE REFERENCE CURRENT
When the LOG100 is used as a straight log amplifier I
2 is
constant and becomes the reference current in the expression
V
OUT = K log
(21)
I
REF can be derived from an external current source (such as
shown in Figure 4), or it may be derived from a voltage
source with one or more resistors.
When a single resistor is used, the value may be quite large
when I
REF is small. If IREF is 10nA and +15V is used
R
REF =
= 1500M
.
FIGURE 5. “T” Network for Reference Current.
A
1
+
R
2
V
REF
R
1
R
3
V
T
I
REF
–
V
OS
14
A voltage divider may be used to reduce the value of the
resistor. When this is done, one must be aware of possible
errors caused by the amplifier’s input offset voltage. This is
shown in Figure 5.
In this case the voltage at pin 14 is not exactly zero, but is
equal to the value of the input offset voltage of A
1, which
ranges from zero to
±5mV. V
T must be kept much larger
than 5mV in order to make this effect negligible. This
concept also applies to pin 1.
OPTIONAL ADJUSTMENTS
The LOG100 will meet its specified accuracy with no user
adjustments. If improved performance is desired, the follow-
ing optional adjustments may be made.
INPUT BIAS CURRENT
The circuit in Figure 6 may be used to compensate for the
input bias currents of A
1 and A2. Since the amplifiers have
FET inputs with the characteristic bias current doubling
every 10
°C, this nulling technique is practical only where
the temperature is fairly stable.
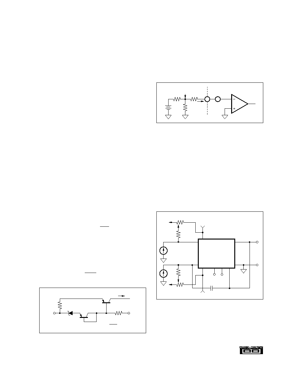
FIGURE 4. Temperature-Compensated Current Reference.
I
REF
I
1
15V
10nA
2N2905
I
REF
R
REF
2N2905
+15V
–15V
I
REF =
6V
R
REF
3.6k
6V
IN834
FIGURE 6. Bias Current Nulling.
–V
CC
R
1'
1kM
I
2
I
1
R
2'
10k
R
1
1kM
R
2
10k
+V
CC
14
1
5
4
3
6
10
7
V
OUT
9
–V
CC
+V
CC
C
+
–
LOG100
OUTPUT OFFSET
The output offset may be nulled with the circuit in Figure 7.
I
1 and I2 are set equal at some convenient value in the range
of 100nA to 100
A. R
1 is then adjusted for zero output
voltage.