参数资料
型号: LT1680CSW#TRPBF
厂商: Linear Technology
文件页数: 7/16页
文件大小: 0K
描述: IC REG CTRLR BST PWM CM 16-SOIC
标准包装: 1,000
PWM 型: 电流模式
输出数: 1
频率 - 最大: 200kHz
占空比: 90%
电源电压: 4 V ~ 60 V
降压:
升压:
回扫:
反相:
倍增器:
除法器:
Cuk:
隔离:
工作温度: 0°C ~ 70°C
封装/外壳: 16-SOIC(0.295",7.50mm 宽)
包装: 带卷 (TR)
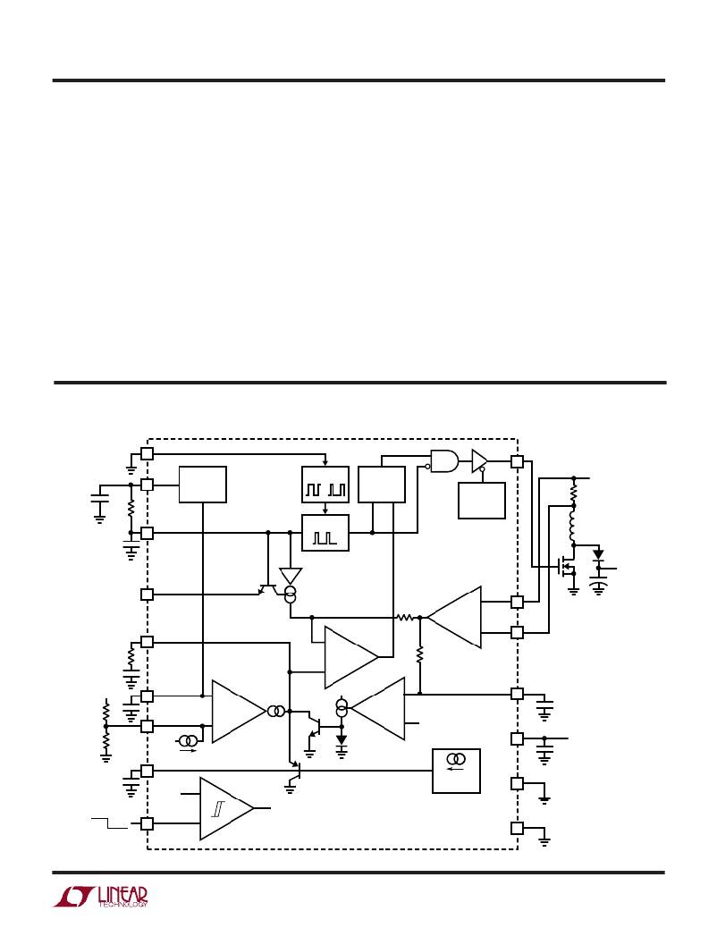
LT1680
PI FU CTIO S
RUN/SHDN (Pin 11): Precision Referenced Shutdown.
Can be used as logic level input for shutdown control or
as an analog monitor for input supply undervoltage
protection, etc. IC is enabled when RUN/SHDN pin rising
edge exceeds 1.25V. 25mV of hysteresis helps assure
stable mode switching. All internal functions are disabled
in shutdown mode. If this function is not desired, connect
RUN/SHDN to 12V IN (typically through a 100k resistor).
See Applications Information.
PGND (Pin 12): Power Ground. References the output
switch and internal driver control circuits. Connect with
low impedance trace to V IN decoupling capacitor negative
(ground) terminal.
GATE (Pin 13): Driver Output. Connect to gate of external
power FET switch.
12V IN (Pin 14): 12V Power Supply Input. Bypass with at
least 1 μ F to PGND.
SYNC (Pin 15): Oscillator Synchronization Pin with
TTL-Level Compatible Input. Input drives internal rising
edge triggered one shot; SYNC signal on/off times should
be ≥ 1 μ s (10% to 90% duty cycle at 100kHz). Does not
contain internal pull-up. Connect to SGND if not used.
5V REF (Pin 16): 5V Reference Output. Allows connection
of external loads up to 10mA DC. Reference is not available
during shutdown. Typically bypassed with at least 1 μ F
capacitor to SGND.
BLOCK DIAGRA
SYNC
GATE
5V REF
REFERENCE
5V
1.25V
ONE SHOT
S
Q
R
UVLO
V IN
R SENSE
R CT
C CT
C T
OSC
CIRCUIT
+
V OUT
SL/ADJ
+
SENSE +
V C
+
× 15
SENSE –
IC1
CURRENT
SENSE
V OUT
V REF
+
AMPLIFIER
+
I AVG
EA
V FB
SS
0.5 μ A
2.5V
12V IN
12V
1.25V
8 μ A
SOFT START
PGND
CIRCUIT
RUN SHDN
RUN/SHDN
+
ENABLE
SGND
1680 BD
7
相关PDF资料
PDF描述
LT1680CSW#TR IC REG CTRLR BST PWM CM 16-SOIC
H2ABT-10104-Y4-ND JUMPER-H1502TR/A2015Y/H1500TR 4"
H2ABT-10104-W4-ND JUMPER-H1502TR/A2015W/H1500TR 4"
H2ABT-10104-V4-ND JUMPER-H1502TR/A2015V/H1500TR 4"
H2ABT-10104-S4-ND JUMPER-H1502TR/A2015S/H1500TR 4"
相关代理商/技术参数
参数描述
LT1680I 制造商:LINER 制造商全称:Linear Technology 功能描述:High Power DC/DC Step-Up Controller
LT1680IN 功能描述:IC REG CTRLR BST PWM CM 16-DIP RoHS:否 类别:集成电路 (IC) >> PMIC - 稳压器 - DC DC 切换控制器 系列:- 标准包装:4,500 系列:PowerWise® PWM 型:控制器 输出数:1 频率 - 最大:1MHz 占空比:95% 电源电压:2.8 V ~ 5.5 V 降压:是 升压:无 回扫:无 反相:无 倍增器:无 除法器:无 Cuk:无 隔离:无 工作温度:-40°C ~ 125°C 封装/外壳:6-WDFN 裸露焊盘 包装:带卷 (TR) 配用:LM1771EVAL-ND - BOARD EVALUATION LM1771 其它名称:LM1771SSDX
LT1680IN#PBF 功能描述:IC REG CTRLR BST PWM CM 16-DIP RoHS:是 类别:集成电路 (IC) >> PMIC - 稳压器 - DC DC 切换控制器 系列:- 标准包装:4,500 系列:PowerWise® PWM 型:控制器 输出数:1 频率 - 最大:1MHz 占空比:95% 电源电压:2.8 V ~ 5.5 V 降压:是 升压:无 回扫:无 反相:无 倍增器:无 除法器:无 Cuk:无 隔离:无 工作温度:-40°C ~ 125°C 封装/外壳:6-WDFN 裸露焊盘 包装:带卷 (TR) 配用:LM1771EVAL-ND - BOARD EVALUATION LM1771 其它名称:LM1771SSDX
LT1680ISW 功能描述:IC REG CTRLR BST PWM CM 16-SOIC RoHS:否 类别:集成电路 (IC) >> PMIC - 稳压器 - DC DC 切换控制器 系列:- 标准包装:4,500 系列:PowerWise® PWM 型:控制器 输出数:1 频率 - 最大:1MHz 占空比:95% 电源电压:2.8 V ~ 5.5 V 降压:是 升压:无 回扫:无 反相:无 倍增器:无 除法器:无 Cuk:无 隔离:无 工作温度:-40°C ~ 125°C 封装/外壳:6-WDFN 裸露焊盘 包装:带卷 (TR) 配用:LM1771EVAL-ND - BOARD EVALUATION LM1771 其它名称:LM1771SSDX
LT1680ISW#PBF 功能描述:IC REG CTRLR BST PWM CM 16-SOIC RoHS:是 类别:集成电路 (IC) >> PMIC - 稳压器 - DC DC 切换控制器 系列:- 特色产品:LM3753/54 Scalable 2-Phase Synchronous Buck Controllers 标准包装:1 系列:PowerWise® PWM 型:电压模式 输出数:1 频率 - 最大:1MHz 占空比:81% 电源电压:4.5 V ~ 18 V 降压:是 升压:无 回扫:无 反相:无 倍增器:无 除法器:无 Cuk:无 隔离:无 工作温度:-5°C ~ 125°C 封装/外壳:32-WFQFN 裸露焊盘 包装:Digi-Reel® 产品目录页面:1303 (CN2011-ZH PDF) 其它名称:LM3754SQDKR