| 型号: | SWAF05 |
| 厂商: | SEOUL SEMICONDUCTOR CO LTD |
| 元件分类: | LED |
| 英文描述: | SINGLE COLOR LED, WHITE, 2.1 mm |
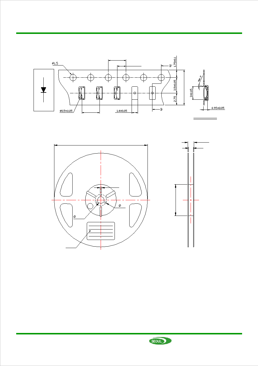
| 封装: | 2.80 X 1.20 MM, 0.80 MM HEIGHT, ROHS COMPLIANT, SMT, 2 PIN |
| 文件页数: | 5/15页 |
| 文件大小: | 863K |
| 代理商: | SWAF05 |

相关PDF资料 |
PDF描述 |
|---|---|
| SWAF0H | SINGLE COLOR LED, WHITE, 2.3 mm |
| SY89533LHZ | 622.08 MHz, OTHER CLOCK GENERATOR, PQFP64 |
| SYM53C040169BGA | SCSI BUS CONTROLLER, PBGA169 |
| SYM53C180I2 | SCSI BUS CONTROLLER, PBGA192 |
| SYM53C895V5 | SCSI BUS CONTROLLER, PBGA272 |
相关代理商/技术参数 |
参数描述 |
|---|---|
| SWAF07 | 功能描述:标准LED-SMD White LED RoHS:否 制造商:Vishay Semiconductors 封装 / 箱体:0402 LED 大小:1 mm x 0.5 mm x 0.35 mm 照明颜色:Red 波长/色温:631 nm 透镜颜色/类型:Water Clear 正向电流:30 mA 正向电压:2 V 光强度:54 mcd 显示角:130 deg 系列:VLMx1500 封装:Reel |
| SWAF09 | 制造商:SEOUL 制造商全称:Seoul Semiconductor 功能描述:WHITE SIDE VIEW LED |
| SWAF0B | 功能描述:标准LED-SMD White LED RoHS:否 制造商:Vishay Semiconductors 封装 / 箱体:0402 LED 大小:1 mm x 0.5 mm x 0.35 mm 照明颜色:Red 波长/色温:631 nm 透镜颜色/类型:Water Clear 正向电流:30 mA 正向电压:2 V 光强度:54 mcd 显示角:130 deg 系列:VLMx1500 封装:Reel |
| SWAF0H | 制造商:SEOUL 制造商全称:Seoul Semiconductor 功能描述:WHITE SIDE VIEW LED |
| SWAF0J | 制造商:SEOUL 制造商全称:Seoul Semiconductor 功能描述:WHITE SIDE VIEW LED |