参数资料
型号: SC2443MLTRT
厂商: Semtech
文件页数: 10/22页
文件大小: 0K
描述: IC DUAL SYNC STP-DN CTRLR 24MLPQ
标准包装: 1
应用: 控制器,DDR
输入电压: 4.75 V ~ 16 V
输出数: 2
输出电压: 可调至 0.5V
工作温度: -40°C ~ 85°C
安装类型: 表面贴装
封装/外壳: 24-MLPQ
供应商设备封装: 24-MLPQ(4x4)
包装: 标准包装
产品目录页面: 1358 (CN2011-ZH PDF)
其它名称: SC2443MLDKR
SC2443
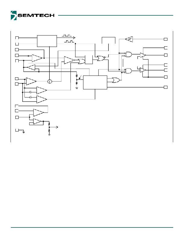
Block Diagram
-
+
SYNC
3
ROSC
24
COMP1
2
IN1-
1
REF/IN1+
5
-
+
+
-
OSCILLATOR
EA1
0.5V
PWM
CLK2
CLK1
R
S
Q
REFERENCE
UVLO
UVLO
4.3/4.5V
Non-Overlapping
Conduction
Control
AVCC
12
BST1
20
GDH1
19
PVCC
17
GDL1
18
+
-
+ ILIM+
-
+ +
CS1+
22
CS1-
23
COMP2
7
IN2-
8
REF IN /IN2+
6
ISEN
75mV
110mV
-
+
-
ILIM-
+
EA2
SLOPE
COMP
OCN
0.75 VREF
Soft-Start And
Overload
Hiccup
Control
OL
DSBL
PGND
16
SS1/EN1
21
-
+
AGND
4
0.72 VREF OUT
SC2443 Block Diagram (Channel   PWM Control Only)
Figure 1. SC2443 Block Diagram
 0
相关PDF资料
PDF描述
SC2446ITETRT IC SYNC STEP DOWN CTRLR 28-TSSOP
SC2544TSTRT IC REG CTRLR BUCK PWM VM 24TSSOP
SC2595MLTRT IC DDR TERMINATION REG 16-MLPQ
SC2596STRT IC INTEGRTD DDRII TERM REG 8SOIC
SC2608BSTRT IC REG CTRLR BUCK PWM VM 8-SOIC
相关代理商/技术参数
参数描述
SC2446 制造商:SEMTECH 制造商全称:Semtech Corporation 功能描述:Dual-Phase Single or Two Output Synchronous Step-Down Controllers
SC2446A 制造商:SEMTECH 制造商全称:Semtech Corporation 功能描述:Dual-Phase, Single or Dual Output Synchronous Step-Down Controller
SC2446AEVB 制造商:SEMTECH 制造商全称:Semtech Corporation 功能描述:Dual-Phase, Single or Dual Output Synchronous Step-Down Controller
SC2446AITSTRT 制造商:SEMTECH 制造商全称:Semtech Corporation 功能描述:Dual-Phase, Single or Dual Output Synchronous Step-Down Controller
SC2446EVB 制造商:SEMTECH 制造商全称:Semtech Corporation 功能描述:Dual-Phase Single or Two Output Synchronous Step-Down Controllers