参数资料
型号: SC4503TSKTRT
厂商: Semtech
文件页数: 5/22页
文件大小: 0K
描述: IC REG BOOST ADJ 1.4A TSOT23-5
标准包装: 1
类型: 升压(升压)
输出类型: 可调式
输出数: 1
输出电压: 可调至 27V
输入电压: 2.5 V ~ 20 V
PWM 型: 电流模式
频率 - 开关: 1.3MHz
电流 - 输出: 1.4A
同步整流器:
工作温度: -40°C ~ 85°C
安装类型: 表面贴装
封装/外壳: SOT-23-5 细型,TSOT-23-5
包装: 标准包装
供应商设备封装: TSOT-23-5
产品目录页面: 1358 (CN2011-ZH PDF)
其它名称: SC4503TSKDKR
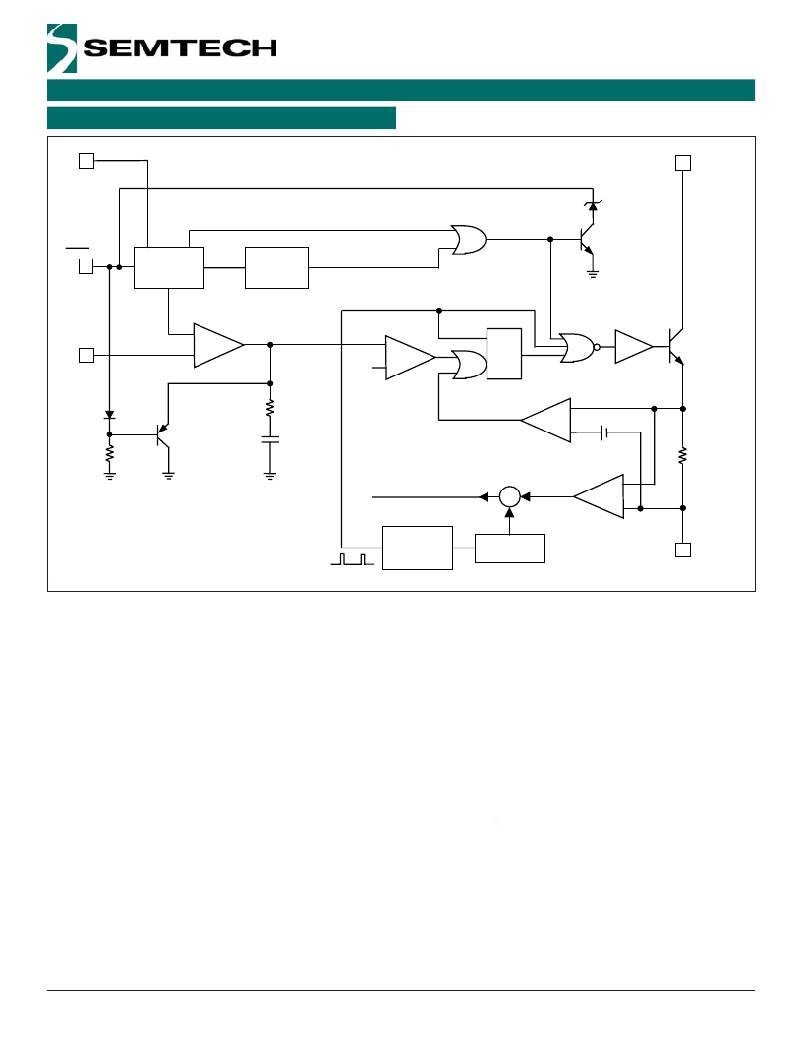
SC4503
POWER MANAGEMENT
Block Diagram
IN
5
REF NOT READY
Z1
+
1V
-
Q2
SW
1
SHDN/SS
4
VOLTAGE
REFERENCE
1.25V
THERMAL
SHUTDOWN
T J > 155 ° C
CLK
FB
2
D1
Q1
+
-
EA
-
PWM
+
R
S
Q
ILIM
+
-
I-LIMIT
Q3
R
SENSE
Σ
+
+
+
ISEN
-
OSCILLATOR
SLOPE COMP
2
GND
Figure 2. SC4503 Block Diagram
? 2007 Semtech Corp.
5
www.semtech.com
相关PDF资料
PDF描述
SC4508AMLTRT IC REG CTRLR BST INV PWM 12-MLPQ
SC4517AIMSTRT IC REG BUCK ADJ 1.5A 8MSOP
SC4518HSETRT IC REG BUCK 2A 8-SOIC
SC4519HSETRT IC REG BUCK 3A 8-SOIC
SC4524ASETRT IC REG BUCK 2A 8SOIC
相关代理商/技术参数
参数描述
SC4503WLTRT 功能描述:IC REG BOOST ADJ 1.4A 8MLPD RoHS:是 类别:集成电路 (IC) >> PMIC - 稳压器 - DC DC 开关稳压器 系列:- 标准包装:250 系列:- 类型:降压(降压) 输出类型:固定 输出数:1 输出电压:1.2V 输入电压:2.05 V ~ 6 V PWM 型:电压模式 频率 - 开关:2MHz 电流 - 输出:500mA 同步整流器:是 工作温度:-40°C ~ 85°C 安装类型:表面贴装 封装/外壳:6-UFDFN 包装:带卷 (TR) 供应商设备封装:6-SON(1.45x1) 产品目录页面:1032 (CN2011-ZH PDF) 其它名称:296-25628-2
SC4505 制造商:SEMTECH 制造商全称:Semtech Corporation 功能描述:High Efficiency Boost Converter for Backlight/Flash LED Driver
SC4505_07 制造商:SEMTECH 制造商全称:Semtech Corporation 功能描述:High Efficiency Boost Converter for Backlight/Flash LED Driver
SC4505EVB 制造商:SEMTECH 制造商全称:Semtech Corporation 功能描述:High Efficiency Boost Converter for Backlight/Flash LED Driver
SC4505EVB-1 制造商:Semtech Corporation 功能描述:EVALUATION BOARD