| 型号: | MAXQ2000-RFX |
| 厂商: | MAXIM INTEGRATED PRODUCTS INC |
| 元件分类: | 微控制器/微处理器 |
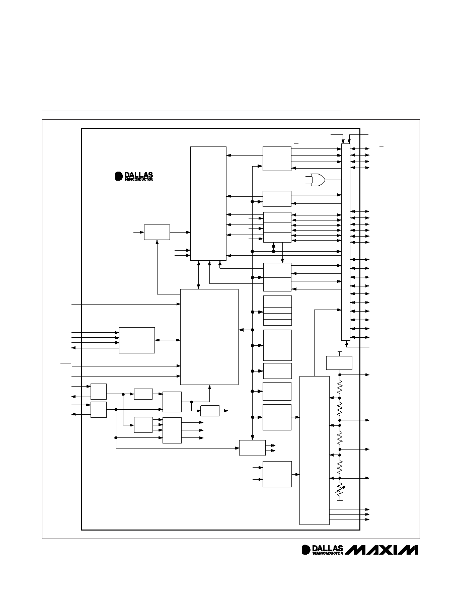
| 英文描述: | Low-Power LCD Microcontroller |
| 中文描述: | 16-BIT, FLASH, 20 MHz, RISC MICROCONTROLLER, PQFP100 |
| 封装: | 14 X 14 MM, 1.40 MM HEIGHT, LQFP-100 |
| 文件页数: | 4/39页 |
| 文件大小: | 484K |
| 代理商: | MAXQ2000-RFX |

相关PDF资料 |
PDF描述 |
|---|---|
| MAY4375S-J230A | SINGLE COLOR LED, YELLOW, 4 mm |
| AA3822K-J230K | SINGLE COLOR LED, ORANGE, 3 mm |
| AA5305S-J200A | SINGLE COLOR LED, ORANGE, 5 mm |
| AA5335S-J22A | SINGLE COLOR LED, ORANGE, 5 mm |
| AA5362X-J240K | SINGLE COLOR LED, ORANGE, 5 mm |
相关代理商/技术参数 |
参数描述 |
|---|---|
| MAXQ2000-RFX+ | 功能描述:16位微控制器 - MCU Low-Power LCD MCU RoHS:否 制造商:Texas Instruments 核心:RISC 处理器系列:MSP430FR572x 数据总线宽度:16 bit 最大时钟频率:24 MHz 程序存储器大小:8 KB 数据 RAM 大小:1 KB 片上 ADC:Yes 工作电源电压:2 V to 3.6 V 工作温度范围:- 40 C to + 85 C 封装 / 箱体:VQFN-40 安装风格:SMD/SMT |
| MAXQ-2000STK | 功能描述:开发板和工具包 - 其他处理器 STARTERKIT BRD FOR MAX2000-RAX RoHS:否 制造商:Freescale Semiconductor 产品:Development Systems 工具用于评估:P3041 核心:e500mc 接口类型:I2C, SPI, USB 工作电源电压: |
| MAXQ2010 | 制造商:MAXIM 制造商全称:Maxim Integrated Products 功能描述:16-Bit Mixed-Signal Microcontroller with LCD Interface |
| MAXQ2010_11 | 制造商:MAXIM 制造商全称:Maxim Integrated Products 功能描述:Evaluation Kit |
| MAXQ2010-KIT | 功能描述:开发板和工具包 - 其他处理器 RoHS:否 制造商:Freescale Semiconductor 产品:Development Systems 工具用于评估:P3041 核心:e500mc 接口类型:I2C, SPI, USB 工作电源电压: |