参数资料
型号: LTC1649CS#PBF
厂商: Linear Technology
文件页数: 5/16页
文件大小: 0K
描述: IC REG CTRLR BUCK PWM VM 16-SOIC
标准包装: 50
PWM 型: 电压模式
输出数: 1
频率 - 最大: 260kHz
占空比: 93%
电源电压: 2.7 V ~ 5 V
降压:
升压:
回扫:
反相:
倍增器:
除法器:
Cuk:
隔离:
工作温度: 0°C ~ 70°C
封装/外壳: 16-SOIC(0.154",3.90mm 宽)
包装: 管件
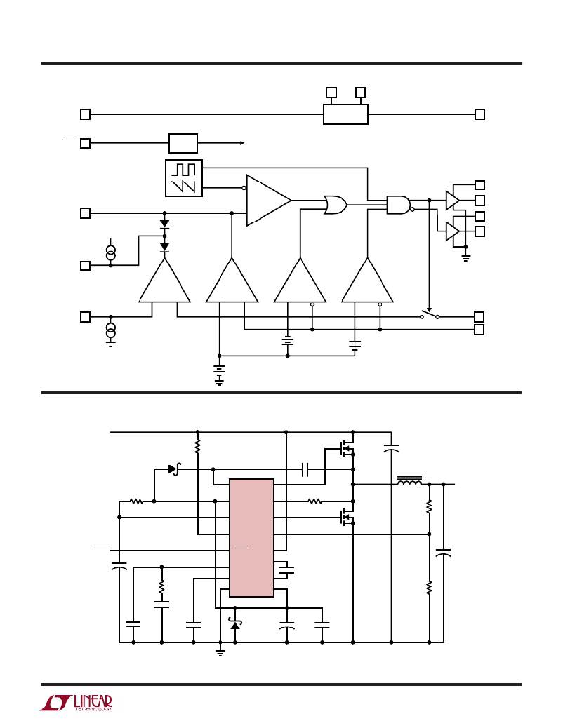
LTC1649
BLOCK DIAGRA
V IN
DELAY
C +
CHARGE
PUMP
C –
CP OUT
SHDN
50 μ s
INTERNAL
SHUTDOWN
PV CC1
COMP
SS
V CC
12 μ A
PWM
G1
PV CC2
G2
I LIM
FB
MIN
MAX
I MAX
+
+
I FB
12 μ A
40mV
+
40mV
FB
+
TEST CIRCUIT
1.26V
1649 BD
V IN
3.3V
22 ?
MBR0530
R IMAX
50k
P VCC1
G1
1 μ F
1k
Q1, Q2
IRF7801
TWO IN
PARALLEL
+
C IN
3300 μ F
L EXT
1.2 μ H
V OUT
2.5V
P VCC2
I FB
R1
V CC
G2
Q3
IRF7801
12.4k
LTC1649
I MAX
FB
C
SHDN
10 μ F
+
R C
7.5k
SHDN
COMP
SS
GND
V IN
+
C –
CP OUT
1 μ F
R2
12.7k
+
C OUT
4400 μ F
C C
0.01 μ F
C1
220pF
0.1 μ F
MBR0530
+
10 μ F
0.33 μ F
1649 TA03
Figure 1
5
相关PDF资料
PDF描述
LTC1682CS8-5 IC REG MULTI CONFIG 5V 8SOIC
LTC1697EMS#TRPBF IC REG SW 1W CCFL LOW PWR 10MSOP
LTC1698EGN IC REG CTRLR ISO PWM CM 16-SSOP
LTC1700EMS#PBF IC REG CTRLR BST PWM CM 10-MSOP
LTC1701BES5#TRMPBF IC REG BUCK ADJ 0.5A TSOT23-5
相关代理商/技术参数
参数描述
LTC1649IS 功能描述:IC REG CTRLR BUCK PWM VM 16-SOIC RoHS:否 类别:集成电路 (IC) >> PMIC - 稳压器 - DC DC 切换控制器 系列:- 标准包装:4,500 系列:PowerWise® PWM 型:控制器 输出数:1 频率 - 最大:1MHz 占空比:95% 电源电压:2.8 V ~ 5.5 V 降压:是 升压:无 回扫:无 反相:无 倍增器:无 除法器:无 Cuk:无 隔离:无 工作温度:-40°C ~ 125°C 封装/外壳:6-WDFN 裸露焊盘 包装:带卷 (TR) 配用:LM1771EVAL-ND - BOARD EVALUATION LM1771 其它名称:LM1771SSDX
LTC1649IS#PBF 功能描述:IC REG CTRLR BUCK PWM VM 16-SOIC RoHS:是 类别:集成电路 (IC) >> PMIC - 稳压器 - DC DC 切换控制器 系列:- 标准包装:4,500 系列:PowerWise® PWM 型:控制器 输出数:1 频率 - 最大:1MHz 占空比:95% 电源电压:2.8 V ~ 5.5 V 降压:是 升压:无 回扫:无 反相:无 倍增器:无 除法器:无 Cuk:无 隔离:无 工作温度:-40°C ~ 125°C 封装/外壳:6-WDFN 裸露焊盘 包装:带卷 (TR) 配用:LM1771EVAL-ND - BOARD EVALUATION LM1771 其它名称:LM1771SSDX
LTC1649IS#TR 功能描述:IC REG CTRLR BUCK PWM VM 16-SOIC RoHS:否 类别:集成电路 (IC) >> PMIC - 稳压器 - DC DC 切换控制器 系列:- 标准包装:4,500 系列:PowerWise® PWM 型:控制器 输出数:1 频率 - 最大:1MHz 占空比:95% 电源电压:2.8 V ~ 5.5 V 降压:是 升压:无 回扫:无 反相:无 倍增器:无 除法器:无 Cuk:无 隔离:无 工作温度:-40°C ~ 125°C 封装/外壳:6-WDFN 裸露焊盘 包装:带卷 (TR) 配用:LM1771EVAL-ND - BOARD EVALUATION LM1771 其它名称:LM1771SSDX
LTC1649IS#TRPBF 功能描述:IC REG CTRLR BUCK PWM VM 16-SOIC RoHS:是 类别:集成电路 (IC) >> PMIC - 稳压器 - DC DC 切换控制器 系列:- 标准包装:4,500 系列:PowerWise® PWM 型:控制器 输出数:1 频率 - 最大:1MHz 占空比:95% 电源电压:2.8 V ~ 5.5 V 降压:是 升压:无 回扫:无 反相:无 倍增器:无 除法器:无 Cuk:无 隔离:无 工作温度:-40°C ~ 125°C 封装/外壳:6-WDFN 裸露焊盘 包装:带卷 (TR) 配用:LM1771EVAL-ND - BOARD EVALUATION LM1771 其它名称:LM1771SSDX
LTC1650ACN 功能描述:IC D/A CONV 16BIT R-R 16-DIP RoHS:否 类别:集成电路 (IC) >> 数据采集 - 数模转换器 系列:- 产品培训模块:Data Converter Fundamentals DAC Architectures 标准包装:750 系列:- 设置时间:7µs 位数:16 数据接口:并联 转换器数目:1 电压电源:双 ± 功率耗散(最大):100mW 工作温度:0°C ~ 70°C 安装类型:表面贴装 封装/外壳:28-LCC(J 形引线) 供应商设备封装:28-PLCC(11.51x11.51) 包装:带卷 (TR) 输出数目和类型:1 电压,单极;1 电压,双极 采样率(每秒):143k