参数资料
型号: NCL30000LED3GEVB
厂商: ON Semiconductor
文件页数: 16/22页
文件大小: 0K
描述: BOARD EVAL 17W 350MA NONDIM DVR
设计资源: NCL30000LED2GEVB Schematic
NCL30000LED2GEVB Gerber Files
NCL30000LED2GEVB Bill of Materials
标准包装: 1
电流 - 输出 / 通道: 350mA
输出及类型: 1,隔离
输出电压: 12 ~ 50 V
输入电压: 90 ~ 305VAC
已供物品:
已用 IC / 零件: NCL30000
其它名称: NCL30000LED3GEVB-ND
NCL30000LED3GEVBOS
NCL30000
D13 BAW56
MMBTA06
Q4
D11
BZX84C5V6
C13
100nF
MMBZ5245
15V
D9
Q1
MMBTA06
BZX84C5V1
BAW56 D7
D8
5.1V
R9 6.2k
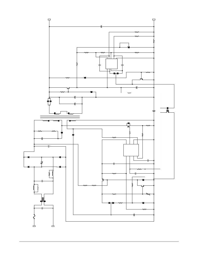
Figure 30. Wide Input Main, 4 ? 15 LED 350 mA Load Schematic
http://onsemi.com
16
相关PDF资料
PDF描述
NCL30051LEDGEVB BOARD EVAL NCL30051 LED DRIVER
NCL30100ASLDGEVB BOARD DEMO SGL LAYER PWM DIM LED
NCL30105GEVB BOARD EVAL 80V 350 FOR LED DRV
NCP1013LEDGEVB BOARD EVAL 5W UNIV LED DRIVER
NCP1028LEDGEVB EVAL BOARD FOR NCP1028LEDG
相关代理商/技术参数
参数描述
NCL30001 制造商:ONSEMI 制造商全称:ON Semiconductor 功能描述:High-Efficiency Single Stage Power Factor Correction and Step-Down Offline LED Driver
NCL30001DR2G 功能描述:LED照明驱动器 ANA PFC CONTROLLER RoHS:否 制造商:STMicroelectronics 输入电压:11.5 V to 23 V 工作频率: 最大电源电流:1.7 mA 输出电流: 最大工作温度: 安装风格:SMD/SMT 封装 / 箱体:SO-16N
NCL30001DR2G-CUT TAPE 制造商:ON 功能描述:NCL30001 Series 11.3 V Isolated Step-Down Single Stage Power Factor - SOIC-16
NCL30001LEDGEVB 功能描述:LED 照明开发工具 Programmers Development RoHS:否 制造商:Fairchild Semiconductor 产品:Evaluation Kits 用于:FL7732 核心: 电源电压:120V 系列: 封装:
NCL30002 制造商:ONSEMI 制造商全称:ON Semiconductor 功能描述:Power Factor Corrected Buck LED Driver