参数资料
型号: TC835CBU
厂商: Microchip Technology
文件页数: 15/26页
文件大小: 0K
描述: IC ADC 4 1/2DGT BCD 64-MQFP
标准包装: 84
显示器类型: LED
配置: 7 段显示
接口: BCD
数字或字符: A/D,4.5 位数字
电流 - 电源: 1mA
电源电压: 4 V ~ 6 V
工作温度: 0°C ~ 70°C
安装类型: 表面贴装
封装/外壳: 64-BQFP
供应商设备封装: 64-PQFP(14x14)
包装: 管件
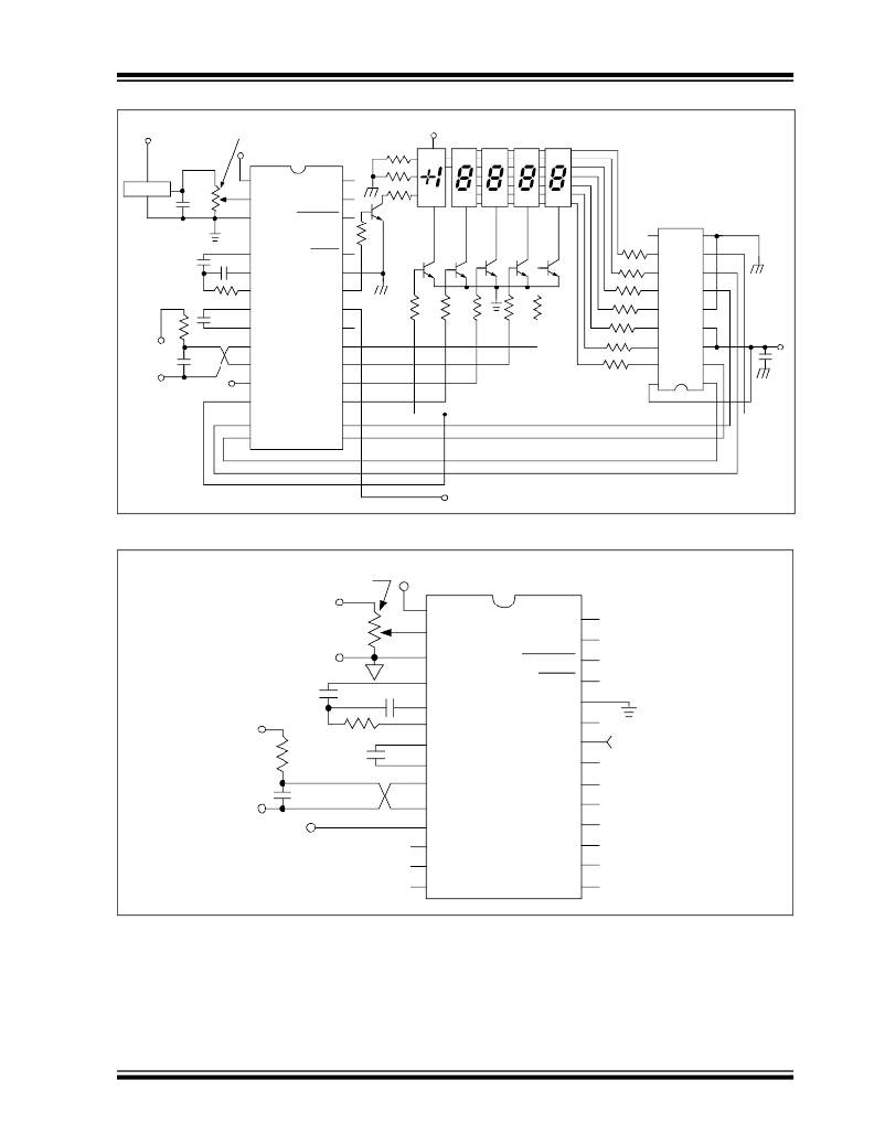
TC835
+5V
SET V REF = 1V
5V
+5V
V–
TC835
3 ANALOG
4 INT
OUT
DGND
MCP1525
100
1 μF k Ω
Analog
GND
0.33 μF
1 μF
1
2
5
GND
AZ IN
UR
REF IN OR
STROBE
RUN/HOLD
28
27
26
25
24
47
k Ω
150 Ω
10
150 Ω 11
12
9
8
7
6 BUFF
100 k Ω 7 OUT
8 C
–INPUT (LSD) D1
100
k Ω
+
SIG
IN
0.1
μF
1 μF
POLARITY
C REF + CLK IN
REF – BUSY
9
10 +INPUT D2
23
22
21
20
19
13 MC14513 6
14 5
15 4
16 3
17 2
+5V
+5V
11
V+
D3
18
18
1
12
D5 (MSD)
D4
17
B1 (LSB) (MSB) B8
13
14
16
B2 B4 15
F OSC = 200 kHz
FIGURE 6-6:
4-1/2 Digit ADC with Multiplexed Common Cathode LED Display.
SET V REF = 1V
5V
TC835
V REF IN
2
100 k Ω
OVERRANGE
INT OUT
0.47 μF
5
AZ IN
100 k Ω 7
C REF -
C REF +
10
+INPUT
D3
+5V
D5 (MSD)
D4
Signal
Input
Analog GND 4
100 k Ω 1 μF 8
0.1 μF
1 μF
1
V-
UNDERRANGE
REF IN
3 ANALOG
COMMON STROBE
RUN/HOLD
DIGTAL GND
6
BUFF OUT POLARITY
CLOCK IN
BUSY
9
-INPUT (LSD) D1
D2
11
V+
12
28
27
26
25
24
23
22
21
20
19
18
17
Clock Input
120 kHz
FIGURE 6-7:
Test Circuit.
? 2007 Microchip Technology Inc.
13
14
B1 (LSB)
B2
(MSB) B8
B4
16
15
DS21478C-page 15
相关PDF资料
PDF描述
TC962IJA IC REG SWITCHD CAP INV ADJ 8CDIP
TCM680COA IC REG SWITCHD CAP DBL INV 8SOIC
TCM810LVNB713 IC RESET MONITOR 4.63V SOT23B-3
TCM811FERCTR IC RESET MONITOR 1.75V SOT143-4
TCM829ECT713 IC REG MULTI CONFIG ADJ SOT23A-5
相关代理商/技术参数
参数描述
TC835CBU713 功能描述:LED显示驱动器 4.5 D BCD A/D-PC Dat RoHS:否 制造商:Micrel 数位数量:5 片段数量: 安装风格:SMD/SMT 封装 / 箱体:PLCC-44 工作电源电压:4.75 V to 11 V 最大电源电流:10 mA 最大工作温度:+ 85 C 最小工作温度:- 40 C 封装:Tube
TC835CKW 功能描述:LED显示驱动器 4.5 D BCD A/D-PC Dat RoHS:否 制造商:Micrel 数位数量:5 片段数量: 安装风格:SMD/SMT 封装 / 箱体:PLCC-44 工作电源电压:4.75 V to 11 V 最大电源电流:10 mA 最大工作温度:+ 85 C 最小工作温度:- 40 C 封装:Tube
TC835CKW713 功能描述:LED显示驱动器 4.5 D BCD A/D-PC Dat RoHS:否 制造商:Micrel 数位数量:5 片段数量: 安装风格:SMD/SMT 封装 / 箱体:PLCC-44 工作电源电压:4.75 V to 11 V 最大电源电流:10 mA 最大工作温度:+ 85 C 最小工作温度:- 40 C 封装:Tube
TC835CPI 功能描述:LED显示驱动器 4.5 D BCD A/D-PC Dat RoHS:否 制造商:Micrel 数位数量:5 片段数量: 安装风格:SMD/SMT 封装 / 箱体:PLCC-44 工作电源电压:4.75 V to 11 V 最大电源电流:10 mA 最大工作温度:+ 85 C 最小工作温度:- 40 C 封装:Tube
TC8395-90 制造商:未知厂家 制造商全称:未知厂家 功能描述:16-Bit Microcontroller