参数资料
型号: LTC3703IGN#PBF
厂商: Linear Technology
文件页数: 34/34页
文件大小: 0K
描述: IC REG CTRLR BST PWM VM 16-SSOP
标准包装: 100
PWM 型: 电压模式
输出数: 1
频率 - 最大: 330kHz
占空比: 96%
电源电压: 9.3 V ~ 15 V
降压:
升压:
回扫:
反相:
倍增器:
除法器:
Cuk:
隔离:
工作温度: -40°C ~ 125°C
封装/外壳: 16-SSOP(0.154",3.90mm 宽)
包装: 管件
LTC3703
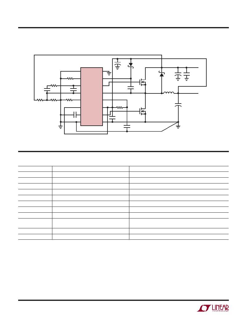
TYPICAL APPLICATION
12V to 24V/5A Synchronous Boost Converter
+
0.1μF
R1
113k
1%
10k
R2
3.92k
1%
R SET 30.1k
C C1
100pF
R MAX 15k
C SS
0.1F
1
2
3
4
5
6
7
8
MODE/SYNC V IN
f SET BOOST
LTC3703
COMP TG
FB SW
I MAX V CC
INV DRV CC
RUN/SS BG
GND BGRTN
16
15
14
13
12
11
10
9
22μF
25V
R F 10
C DRVCC
10μF
D B
CMDSH-3
C B
0.1μF
C VCC
1μF
B240A
M1
Si7892DP
M2
Si7892DP
C OUT +
220μF
35V
× 3
L1
3.3μH
C IN +
100μF
16V
3703 TA03
V OUT
24V
C OUT2 5A
10μF
50V
X5R
× 2
V IN
10V TO 15V
RELATED PARTS
L1: VISHAY IHLPSOSOEZ
C IN : OSCON 20SP180M
C OUT1 : SANYO 35MV220AX
C OUT2 : UNITED CHEMICON
NTS60X5R1H106MT
LT 1074HV/LT1076HV
PARTNUMBER
?
LT1339
LTC1702A
LTC1735
LTC1778
LT1956
LT3010
LT3430/LT3431
LT3433
LTC3703-5
LT3800
DESCRIPTION
Monolithic 5A/2A Step-Down DC/DC Converters
High Power Synchronous DC/DC Controller
Dual, 2-Phase Synchronous DC/DC Controller
Synchronous Step-Down DC/DC Controller
No R SENSE ? Synchronous DC/DC Controller
Monolithic 1.5A, 500kHz Step-Down Regulator
50mA, 3V to 80V Linear Regulator
Monolithic 3A, 200kHz/500kHz Step-Down Regulator
Monolithic Step-Up/Step-Down DC/DC Converter
60V Synchronous DC/DC Controller
60V Synchronous DC/DC Controller
COMMENTS
V IN up to 60V, TO-220 and DD Packages
V IN up to 60V, Drivers 10,000pF Gate Capacitance, I OUT ≤ 20A
550kHz Operation, No R SENSE , 3V ≤ V IN ≤ 7V, I OUT ≤ 20A
3.5V ≤ V IN ≤ 36V, 0.8V ≤ V OUT ≤6V, Current Mode, I OUT ≤ 20A
4V ≤ V IN ≤ 36V, Fast Transient Response, Current Mode, I OUT ≤ 20A
5.5V ≤ V IN ≤ 60V, 2.5mA Supply Current, 16-Pin SSOP
1.275V ≤ V OUT ≤ 60V, No Protection Diode Required, 8-Lead MSOP
5.5V ≤ V IN ≤ 60V, 0.1Ω Saturation Switch, 16-Pin SSOP
4V ≤ V IN ≤ 60V, 500mA Switch, Automatic Step-Up/Step-Down,
Single Inductor
4V ≤ V IN ≤ 60V, Voltage Mode, 1Ω Logic-Level MOSFET Drivers
4V ≤ V IN ≤ 60V, Current Mode, 1.23V ≤ V OUT ≤ 36V
3703fc
1630 McCarthy Blvd., Milpitas, CA 95035-7417 (408)432-1900 ● FAX:(408)434-0507    www.linear.com ●
34 Linear Technology Corporation
LT 0512 REV C ? PRINTED IN USA
? LINEAR TECHNOLOGY CORPORATION 2003
相关PDF资料
PDF描述
LTC3704EMS#PBF IC REG CTRLR INV PWM CM 10-MSOP
LTC3705IGN#TRPBF IC CTRLR OCP 16SSOP
LTC3707IGN#TRPBF IC REG CTRLR BUCK PWM CM 28-SSOP
LTC3708EUH#PBF IC REG CTRLR BUCK PWM CM 32-QFN
LTC3709EG#TRPBF IC REG CTRLR BUCK PWM CM 36-SSOP
相关代理商/技术参数
参数描述
LTC3704EMS 功能描述:IC REG CTRLR INV PWM CM 10-MSOP RoHS:否 类别:集成电路 (IC) >> PMIC - 稳压器 - DC DC 切换控制器 系列:- 标准包装:2,500 系列:- PWM 型:电流模式 输出数:1 频率 - 最大:500kHz 占空比:96% 电源电压:4 V ~ 36 V 降压:无 升压:是 回扫:无 反相:无 倍增器:无 除法器:无 Cuk:无 隔离:无 工作温度:-40°C ~ 125°C 封装/外壳:24-WQFN 裸露焊盘 包装:带卷 (TR)
LTC3704EMS#PBF 功能描述:IC REG CTRLR INV PWM CM 10-MSOP RoHS:是 类别:集成电路 (IC) >> PMIC - 稳压器 - DC DC 切换控制器 系列:- 特色产品:LM3753/54 Scalable 2-Phase Synchronous Buck Controllers 标准包装:1 系列:PowerWise® PWM 型:电压模式 输出数:1 频率 - 最大:1MHz 占空比:81% 电源电压:4.5 V ~ 18 V 降压:是 升压:无 回扫:无 反相:无 倍增器:无 除法器:无 Cuk:无 隔离:无 工作温度:-5°C ~ 125°C 封装/外壳:32-WFQFN 裸露焊盘 包装:Digi-Reel® 产品目录页面:1303 (CN2011-ZH PDF) 其它名称:LM3754SQDKR
LTC3704EMS#PBF 制造商:Linear Technology 功能描述:IC, DC/DC CONTROLLER, 300kHz, MSOP-10
LTC3704EMS#TR 功能描述:IC REG CTRLR INV PWM CM 10-MSOP RoHS:否 类别:集成电路 (IC) >> PMIC - 稳压器 - DC DC 切换控制器 系列:- 标准包装:2,500 系列:- PWM 型:电流模式 输出数:1 频率 - 最大:500kHz 占空比:96% 电源电压:4 V ~ 36 V 降压:无 升压:是 回扫:无 反相:无 倍增器:无 除法器:无 Cuk:无 隔离:无 工作温度:-40°C ~ 125°C 封装/外壳:24-WQFN 裸露焊盘 包装:带卷 (TR)
LTC3704EMS#TRPBF 功能描述:IC REG CTRLR INV PWM CM 10-MSOP RoHS:是 类别:集成电路 (IC) >> PMIC - 稳压器 - DC DC 切换控制器 系列:- 标准包装:2,500 系列:- PWM 型:电流模式 输出数:1 频率 - 最大:500kHz 占空比:96% 电源电压:4 V ~ 36 V 降压:无 升压:是 回扫:无 反相:无 倍增器:无 除法器:无 Cuk:无 隔离:无 工作温度:-40°C ~ 125°C 封装/外壳:24-WQFN 裸露焊盘 包装:带卷 (TR)