参数资料
型号: FDFMA2P853
厂商: Fairchild Semiconductor
文件页数: 6/7页
文件大小: 0K
描述: MOSFET P-CH 20V 3A MICROFET6
产品目录绘图: MicorFET 2x2, SC-75 Dual
标准包装: 1
系列: PowerTrench®
FET 型: MOSFET P 通道,金属氧化物
FET 特点: 二极管(隔离式)
漏极至源极电压(Vdss): 20V
电流 - 连续漏极(Id) @ 25° C: 3A
开态Rds(最大)@ Id, Vgs @ 25° C: 120 毫欧 @ 3A,4.5V
Id 时的 Vgs(th)(最大): 1.3V @ 250µA
闸电荷(Qg) @ Vgs: 6nC @ 4.5V
输入电容 (Ciss) @ Vds: 435pF @ 10V
功率 - 最大: 700mW
安装类型: 表面贴装
封装/外壳: 6-WDFN 裸露焊盘
供应商设备封装: 6-MicroFET(2x2)
包装: 标准包装
产品目录页面: 1609 (CN2011-ZH PDF)
其它名称: FDFMA2P853DKR
FDFMA2P853DKR-ND
FDFMA2P853FSDKR
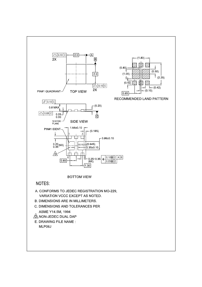
Dimensional Outline and Pad Layout
rev3
6
FDFMA2P853 Rev. D 2 (W)
相关PDF资料
PDF描述
FDFMA2P857 MOSFET P-CH 20V 3A MICROFET2X2
FDFMA2P859T MOSFET P-CH 20V 3A MICROFET
FDFMA3N109 MOSFET N-CH 30V 2.9A MICRO2X2
FDFMJ2P023Z MOSFET P-CH 20V 2.9A 6MLP
FDFS2P106A MOSFET P-CH 60V 3A 8-SOIC
相关代理商/技术参数
参数描述
FDFMA2P853_06 制造商:FAIRCHILD 制造商全称:Fairchild Semiconductor 功能描述:Integrated P-Channel PowerTrench㈢ MOSFET and Schottky Diode
FDFMA2P853_08 制造商:FAIRCHILD 制造商全称:Fairchild Semiconductor 功能描述:Integrated P-Channel PowerTrench㈢ MOSFET and Schottky Diode
FDFMA2P853T 功能描述:MOSFET MOSFET/Schottky -20V Int. PCh PowerTrench RoHS:否 制造商:STMicroelectronics 晶体管极性:N-Channel 汲极/源极击穿电压:650 V 闸/源击穿电压:25 V 漏极连续电流:130 A 电阻汲极/源极 RDS(导通):0.014 Ohms 配置:Single 最大工作温度: 安装风格:Through Hole 封装 / 箱体:Max247 封装:Tube
FDFMA2P857 功能描述:MOSFET 20V P-Ch Shtky Diode PowerTrench MOSFET RoHS:否 制造商:STMicroelectronics 晶体管极性:N-Channel 汲极/源极击穿电压:650 V 闸/源击穿电压:25 V 漏极连续电流:130 A 电阻汲极/源极 RDS(导通):0.014 Ohms 配置:Single 最大工作温度: 安装风格:Through Hole 封装 / 箱体:Max247 封装:Tube
FDFMA2P857_08 制造商:FAIRCHILD 制造商全称:Fairchild Semiconductor 功能描述:Integrated P-Channel PowerTrench㈢ MOSFET and Schottky Diode .20V, .3.0A, 120mヘ