参数资料
型号: IP-SLITE2
厂商: Altera
文件页数: 65/110页
文件大小: 0K
描述: IP SERIALLITE II
标准包装: 1
系列: *
类型: MegaCore
功能: SerialLite II 协议
许可证: 初始许可证
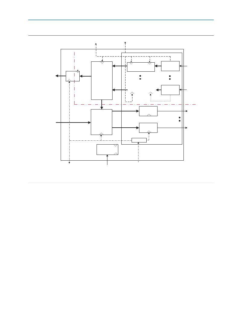
Chapter 4: Functional Description
Clocks and Data Rates
Figure 4–10. Streaming Full-Featured Clock Structure
rc v d_clk_out[n-1:0] (1)
slite2_top
rc v d_clk0
4–11
Atlantic
Regular
(tx_coreclock
domain)
rrefclk
Fre q Off
Remo v al
W ord Aligner (&
Training Pattern
Detection),
[Link State
Machine]
n-bit
PComp_FIFO_0
Byte
deserializer
#n SLITE2
High
Speed
Links
tx_coreclock
n-bit
PComp_FIFO_n-1
Byte
deserializer
rc v d_clkn-1
RREFCLK
tx_coreclock
Byte
Training
n-bit
serializer
#m SLITE2
Atlantic
Regular
(tx_coreclock
Generator [Link
State Machine]
Byte
High
Speed
Links
domain)
tx_coreclock
Note to Figure 4–10 :
(1) Individual recovered clocks (one per channel).
Reset Sync
mreset_n
n-bit
serializer
TXPLL
trefclk
XCVR
January 2014
Altera Corporation
SerialLite II MegaCore Function
User Guide
相关PDF资料
PDF描述
IP-SRAM/QDRII IP QDRII SRAM CONTROLLER
IP-VITERBI/SS IP VITERBI LOW-SPEED
IP4220CZ6,125 IC USB DUAL ESD PROTECT 6TSOP
IPA-66-1-600-10.0-A-01-T CIRC BRKR 10A 2POLE SCREW TERM
IPR-CSC IP COLOR SPACE CONVERTER RENEW
相关代理商/技术参数
参数描述
IPSLU-AP005-5 功能描述:Pressure Sensor 15 PSI (103.42 kPa) Absolute Male - 1/4" (6.35mm) NPT 4 mA ~ 20 mA Probe 制造商:cynergy 3 系列:IPSLU 零件状态:有效 压力类型:绝对 工作压力:15 PSI(103.42 kPa) 输出类型:模拟电流 输出:4 mA ~ 20 mA 精度:±0.5% 电压 - 电源:9 V ~ 32 V 端口尺寸:公型 - 1/4"(6.35mm) NPT 端口样式:有螺纹 特性:放大输出,温度补偿 端子类型:连接器 最高压力:- 工作温度:-20°C ~ 80°C 封装/外壳:探头组件 供应商器件封装:探头组件 标准包装:1
IPSLU-AP010-5 功能描述:Pressure Sensor 10 PSI (68.95 kPa) Absolute Male - 1/4" (6.35mm) NPT 4 mA ~ 20 mA Probe 制造商:cynergy 3 系列:IPSLU 零件状态:有效 压力类型:绝对 工作压力:10 PSI(68.95 kPa) 输出类型:模拟电流 输出:4 mA ~ 20 mA 精度:±0.5% 电压 - 电源:9 V ~ 32 V 端口尺寸:公型 - 1/4"(6.35mm) NPT 端口样式:有螺纹 特性:放大输出,温度补偿 端子类型:连接器 最高压力:- 工作温度:-20°C ~ 80°C 封装/外壳:探头组件 供应商器件封装:探头组件 标准包装:1
IPSLU-AP015-5 功能描述:Pressure Sensor 15 PSI (103.42 kPa) Absolute Male - 1/4" (6.35mm) NPT 4 mA ~ 20 mA Probe 制造商:cynergy 3 系列:IPSLU 零件状态:有效 压力类型:绝对 工作压力:15 PSI(103.42 kPa) 输出类型:模拟电流 输出:4 mA ~ 20 mA 精度:±0.5% 电压 - 电源:9 V ~ 32 V 端口尺寸:公型 - 1/4"(6.35mm) NPT 端口样式:有螺纹 特性:放大输出,温度补偿 端子类型:连接器 最高压力:- 工作温度:-20°C ~ 80°C 封装/外壳:探头组件 供应商器件封装:探头组件 标准包装:1
IPSLUAT-AP005-5 功能描述:Pressure Sensor 5 PSI (34.47 kPa) Absolute Male - 1/4" (6.35mm) NPT 4 mA ~ 20 mA Cylinder, Threaded 制造商:cynergy 3 系列:IPSLU 零件状态:有效 压力类型:绝对 工作压力:5 PSI(34.47 kPa) 输出类型:模拟电流 输出:4 mA ~ 20 mA 精度:±0.5% 电压 - 电源:9 V ~ 32 V 端口尺寸:公型 - 1/4"(6.35mm) NPT 端口样式:有螺纹 特性:放大输出,温度补偿 端子类型:连接器 最高压力:75 PSI(517.11 kPa) 工作温度:-20°C ~ 80°C 封装/外壳:圆柱形,有螺纹 供应商器件封装:* 标准包装:1
IPSLUAT-AP010-5 功能描述:Pressure Sensor 10 PSI (68.95 kPa) Absolute Male - 1/4" (6.35mm) NPT 4 mA ~ 20 mA Cylinder, Threaded 制造商:cynergy 3 系列:IPSLU 零件状态:有效 压力类型:绝对 工作压力:10 PSI(68.95 kPa) 输出类型:模拟电流 输出:4 mA ~ 20 mA 精度:±0.5% 电压 - 电源:9 V ~ 32 V 端口尺寸:公型 - 1/4"(6.35mm) NPT 端口样式:有螺纹 特性:放大输出,温度补偿 端子类型:连接器 最高压力:75 PSI(517.11 kPa) 工作温度:-20°C ~ 80°C 封装/外壳:圆柱形,有螺纹 供应商器件封装:* 标准包装:1